Технико-коммерческое предложение по применению частотно-регулируемых преобразова-телей для перекачки воды и пульпы в ЦХХ

Были обследованы в цехе хвостового хозяйства (ЦХХ) условия работы насосов по подаче технической воды и забору пульпы. Выработано предложение по использованию высоковольтных приводов для управления насосами ЦХХ.

Описание объекта

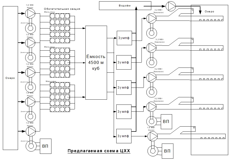
Структурно ЦХХ состоит из насосной технической воды и пульпонасосной (см. рис.). Ос-новное назначение ЦХХ состоит в обеспечении водой с определенной производительностью и напором работающих секций дробильно-обогатительной комбината (ДОК) и забор с последней оборотной воды (пульпы). Однако, учитывая, что пульпа – это взвешенное состояние в определенной пропорции остатков рудного песка с водой, задача по забору и транспортированию ее на большие расстояния по пульводам значительно усложняется.

Как показало обследование, на производстве работает от 4 до 15 секций обогащения из 16. Как правило на три секции обычно работает один насос технической воды Д6300-80-2 мощно-стью 1,6 МВт, n 730 об/мин, производительностью 6300 м.куб./ч. и напором 80 м. Причем при максимальной загрузке (15 секций) работают 5 насосов Д6300-80-2 и один насос мощностью 320 кВт производительностью 1250 м.куб./ч. и напором 80 м.

Аналогичная расстановка при заборе пульпы: на три секции работает один землесос 28Гр-8т 3,2 МВт. n 375 об/мин. производительностью 8300 м.куб./ч. и напором 70 м.(характеристики даны на чистую воду), а при максимальной загрузке (15 секций) работают 4 насоса 28Гр-8т и один насос Д6300-80-2. Количество насосов, включённых в секции от 1 до 15-ю, показаны в таблицах 2 и 3 (для насосов технической воды и пульпонасосов соответственно).

Анализ задач, решаемых объектом

ЦХХ можно разбить на две системы, которые решают следующие задачи:

1. Группа насосов насосной технической воды, которая решает типовую задачу по подаче воды в среднем 2577 м куб. с напором 64 м на секцию.

2. Группа землесосов забора пульпы решает ряд сложных задач:

2.1 Прокачка пульпы в прямой зависимости от производительности группы насосов тех-нической воды. Вместе с тем производительность и напор насосов землесосов выбраны пропорционально;

2.2 Работа землесосов должна учитывать динамику по производительности пульпы, так как в зависимости от физико-механических свойств поступающей руды меняется объём подаваемой воды и объем вырабатываемого песка из руды. Поэтому напор насосной станции технической воды держится с запасом давления 5 метров (при норме напора 59 метров – держит-ся 64 метра).

2.3 Поддержание пульпы в движении, чтобы уменьшить осадки песка в пульпонесущих конструкциях. Учитывая маленькие емкости основного водоема и зумпфов (см. рис.), пульпа в зумпфах будет меняется каждые 4 минуты, а в основном водоеме при рабочих секциях от 4 до 15 каждые 7-16 минут. Поэтому можно определенно сказать, что пульпа не будет осаждаться, и задача по осадкам между ДОК и землесосами в принципе решена системно.

2.4 Сохранение давления и производительности в 7,5 или 2,5 километровых трубопроводах с целью предотвращения запульпирования их и при этом сохранение баланса по воде (т.е. сколько вошло воды в ДОК столько и вышло). Группа землесосов на пульпу работает периодически с отключением одного насоса, чтобы сделать баланс по поступающей воде и замкнуть цикл в целом по ЦХХ. Отключение и включение происходит гораздо чаще при использовании 2,5 км. труб или труб, где сброс пульпы происходит от 5 км и далее до 7,5 км.

Исходя из схемы, пульпа поступает от 15–ти дробильно-обогатительных секций по трем желобам в емкость 4500м куб. и далее стекает по четырем желобам в двенадцать зумпфов емко-стью по 400 м куб., которые включаются оператором в работу выборочно (максимально до 5 шт из 12). Каждый зумпф имеет свой землесос, который работает по выбору на свою трубу 7,5 км. или 2,5 км (определяется оператором с помощью задвижки), причем дальность выброса пульпы в 7,5 км магистрали может меняться от 5 до 7,5 км.

Необходимо отметить немаловажный фактор по алгоритму работы: чтобы сохранять ба-ланс по воде останавливается землесос (п.2.4), впоследствии чего появляются излишки пульпы, которые уходят в резервный водоём, откуда, впоследствии, дополнительным насосом они перекачиваются в озеро. Это происходит до тех пор, пока не будет превышен уровень в зумпфе, и не включится землесос. Далее всё повторяется.

Экономический расчет

Данный расчет не корректно было проводить по работающим землесосам и их характеристикам, поскольку характеристики даны на чистую воду, поэтому за основу взяты расчеты по годовым данным.

В соответствии с отчетом по ЦХХ за 2001 год было намыто 8972000 м. куб. песка и произведено 250002500 м. куб. воды. Отчёт по загрузке обогатительных секций приведён в табл.1:

Таблица 1

Месяц Среднемесячное количество работающих секций
Январь 12,5
Февраль 10,9
Март 14,5
Апрель 10,9
Май 12,2
Июнь 12,4
Июль 11,3
Август 10,3
Сентябрь 12
Октябрь 12,3
Ноябрь 10,6
Декабрь 7,5
Среднегодовое количество работающих секций 11,45

Зная среднегодовое количество работающих секций (из отчёта) – 11.45, количество рабо-чих дней в году – 8472 ( с учётом регламентных работ) можно определить загрузку по воде од-ной секции:

250002500/(8472*11.45)=2577куб.м/ч

Учитывая объем намытого песка с водой за год, загрузка одной секции по пульпе равна:

(250002500+8972000)/(8472*11.45)=2670куб.м/ч

Можно вычислить среднюю загрузку ДОК по обороту технической воды в час

11.45*2577=29507куб.м/ч

и по обороту пульпы в час

11.45*2670=30572куб.м/ч

В таблицах 2 и 3 (для воды и пульпы соответственно) показаны все расчёты, соответствую-щие загрузке от 1до 15 секций.

Таблица 2

Кол-во работающих секций Работающие насосы (число и условная мощность в МВт) Суммарная мощность работающих насосов Р, кВт Суммарная производительность насосов -Q, м3/ч (по паспортным данным) Статистическая производительность (по результатам отчёта за 20ХХ год)-Qc, м3/ч Q*h при h=80 м Qc*hс при hс=59 м Q*h/Qc*hс=k Работающая мощность Pр=Р/k, кВт Теряемая мощность Pт=Р-Рр , кВт Требуемая мощность двигателя работающего от ПЧ, кВт
1 1.6 1600 6300 2577 504000 152043 3.31 482.7 1117.3 482.7
2 1.6 1600 6300 5154 504000 304086 1.66 965.4 634.6 482.7
3 1.6+0.3 1900 7550 7731 604000 456129 1.32 1434.8 465.2 482.7
4 2*1.6 3200 12600 10308 1008000 608172 1.66 2172 1428 482.7
5 2*1.6 3200 12600 10308 1008000 760215 1.33 2715.1 884.9 1115
6 2*1.6+0.3 3500 13850 15462 1108000 912258 1.21 2881.7 618.3 1281
7 3*1.6 4800 18900 18039 1108000 1064301 1.42 3378.7 1421.3 178
8 3*1.6 4800 18900 20616 1512000 1216344 1.24 3861.4 938,6 661
9 3*1.6+0,3 5100 20150 23193 1612000 1368387 1.18 4329,3 770,7 1129
10 4*1.6 6400 25200 25770 2016000 1520430 1.33 4826,8 1573,2 826
11 4*1.6 6400 25200 28347 2016000 1672473 1.21 5309,4 1090,6 509
12 4*1.6+0,3 6700 26450 30924 2116000 1824516 1.16 5771,1 922,9 977
13 5*1.6 8000 31500 33501 2520000 1976559 1.27 6274,8 1725,2 1475
14 5*1.6 8000 31500 36078 2520000 2128602 1.18 6757,5 1242,5 357
15 5*1.6+0,3 8300 32750 38655 2620000 2280645 1.15 7224,9 1075,1 824

Таблица 3

Кол-во работающих секций Работающие насосы Суммарная мощность работающих насосов Р, кВт Сум-марная производительность насосов -Q, м3/ч (по паспортным данным) Статистическая производительность (по результатам отчёта за 20ХХ год)-Qc, м3/ч Q*h при h=80 м (h=70 м,) Qc*hс при hс=59 м Q*h/Qc*hс=k Работающая мощность Pр=Р/k, кВт Теряемая мощность Pт=Р-Рр , кВт Требуемая мощность двигателя работающего от ПЧ, кВт
1 1,6 1600 6300 2670 504000 154860 3,25 492,3 1107,7 492,3
2 1,6 1600 6300 5340 504000 309720 1,63 981,6 618,4 981,6
3 3,2 3200 8300 8010 581000 464580 1,25 2560 640 2560
4 3,2+0,4 3600 9900 10680 709000 619440 1,14 3157,9 442,1 3157,9
5 3,2+1,6 4800 14600 13350 1085000 774300 1,4 3428,6 1371,4 228,6
6 2*3,2 6400 16600 16020 1162000 929160 1,25 5120 1280 1920
7 2*3,2+1,6 8000 22900 18690 1666000 1084020 1,54 5194,8 2806 1994,8
8 2*3,2+1,6 8000 22900 21360 1666000 1238880 1,34 5970,1 2029,9 2770,1
9 3*3,2 9600 24900 24030 1743000 1393740 1,25 7680 1920 1280
10 3*3,2+0,4 10000 26500 26700 1871000 1548600 1,21 8264,5 1735,5 1864,5
11 3*3,2+1,6 11200 31200 29370 2247000 1703460 1,32 8484,8 2715,2 2084,8
12 4*3,2 12800 33200 32040 2324000 1858320 1,25 10240 2560 640
13 4*3,2+0,4 13200 34800 34710 2452000 2013180 1,22 10819,7 2380,3 1219,7
14 4*3,2+1,6 14400 39500 37380 2828000 2168040 1,3 11076,9 3323,1 1476,9
15 4*3,2+1,6 14400 39500 40050 2828000 2322900 1,22 11803,3 2596,7 2203,3

В графе, соответствующей работе 11 секций, значения существующей и требуемой про-изводительности соответственно равны 25200 и 28347 куб.м в час для насосов технической воды и 31200 и 29370 куб.м в час для землесосов. Несовпадение существующей и требуемой произво-дительности и даже меньшее значение последней, получается из-за отсутствия учёта напора, ко-торый так же различается. Реальный напор для насосов технической воды составляет hс=59 м, а для землесосов hс=58 м (*), что значительно меньше напора h=80 м даваемого насосами и h=70 м землесосами по паспорту.

* — причём напор в 58 метров берётся из расчёта.

Реально на землесосах держится давление 70 м, чтобы не было запульпирования. Для из-бежания образования насыпи песка в результате выброса пульпы длина 7,5 км магистрали пе-риодически меняется от 5 до 7,5 км. Поэтому получается усреднённый напор 58 м.

Перед тем как проводить расчет по энергосбережению, предварительно необходимо определить методику расчета.

Известно, что

Pэл.дв. = Nнас. КПДэл.дв. , где Nнас. = Q*h*p*g 3600* КПДэл.дв.* КПДнас* КПДчрп

где Q – производительность насоса,

h – напор насоса,

p — плотность воды,

g – ускорение свободного падения.

Исходя из формулы видно, что мощность, потребляемая электродвигателем, находится в прямой зависимости от производительности Q и напора h, т. е. при расчете потребления электроэнергии все остальные величины остаются постоянными, и в расчётах не участвуют.

По коэффициенту соотношения k между произведением номинального напора на номи-нальную производительность (Q*h) и произведением статистического напора на статистическую производительность (Qc *hc) можно вычислить реально необходимую мощность двигателя Pp, требуемую для обеспечения статистического напора и статистической производительности. Вы-читая эту мощность из мощности работающих двигателей, получим теряемую мощность Pт. В таблицах показаны потери при работе от 1 до 15 секций. Так как в среднем ЦХХ загружено 11,45 секций, то потери, посчитанные при работе 11 секций (из табл.), можно считать самыми близкими к реальности, они составят:

Поэтому соотношение мощностей можно оценить соотношением величин (h*Q)ном и (h*Q)стат сначала по табл.2 для воды, а потом по табл.3 для пульпы соответственно.

По таб 2, kвода = Q*h/Qc*hc=1.21 , а по таб 3, kпульпа = Q*h/Qc*hc=1.32

Суммарная мощность при работе 11 секций по воде равна 6,4 МВт, а суммарная мощность 11 секций по пульпе равна 11,2 МВт (из таблицы № 2 и 3)

Тогда как реальная мощность необходимая для создания требуемой производительности и давления будет равна: по воде 6,4 МВт — 6,4 МВт /1,21=1110,7 кВт

по пульпе 11,2 МВт — 11,2 МВт /1,32 = 2715 кВт

Годовые потери по электроэнергии соответственно составят:

По воде 1110,7 *8472*8= 75 278 803 руб.

По пульпе 2715*8472*8= 184 011 840 руб.

где: 8760-количество часов в году, а 8472 с учётом регламентных работ;

8-стоимость (в руб.) 1 кВт/ч для промышленных предприятий.

По материалам ОАО «ВНИИЭ» принятым РАО «ЕЭС России» и АО-Энерго коэффици-ент ресурсосбережения принят равным 0,5 от энергосбережения: т.е. у электрооборудования за-действованном в электроснабжении данного узла увеличивается ресурс эксплуатации. Тем са-мым поднимается надёжность и улучшается экономическая составляющая.

Т.к. экономия электроэнергии составит по воде 75 278 803 руб., а по пульпе 184 011 840 руб. то ресурсосбережение составит:

(75 278 803 руб.+ 184 011 840 руб.)*0,5 = 129 645 321 руб. в год.

В итоге суммарная экономия по энерго- и ресурсосбережению составит:

259 290 643 руб. + 129 645 321 руб. = 388 935 964 руб. в год

Во избежание такой неэкономичной эксплуатации и для повышения надежности работы насосов, предлагается:

1. Применение высоковольтных частотно-регулируемых преобразователей. Для группы насосов технической воды на 1,6 МВт, а для пульпонасосной — 3,2 МВт и 1,6 МВт.

В этом случае отпадает необходимость в частом отключении и включении землесосов, и использовании дополнительных насосов для перекачки воды из резервного водоёма, которая возникает вследствие несогласованности мощностей насосов и землесосов. Привод будет осу-ществлять это согласование, исключая переполнение зумпфов.

Управление приводом насосов технической воды предполагается производить по сигналу обратной связи от датчика давления и в зависимости от числа работающих секций. А управле-ние землесосами можно осуществлять оператором вручную или по сигналу от тензометрическо-го датчика веса, расположенного под желобом. Задача этого датчика – контролировать вес про-текающей пульпы по желобу (датчик уровня в ёмкостях использовать не целесообразно, т.к. уровень пульпы в них быстро меняется, и зафиксировать его практически невозможно).

Применение высоковольтного частотного привода позволит:

Для управления высоковольтным синхронным двигателем предлагается частотно-управляемый без трансформаторный электропривод. Например, производства ЗАО Энергокомплект.

1. Использовать автоматическое регулирование частоты вращения электродвигателя по обратной связи от датчика практически любого технологического параметра или по заданию оператора.

2. Стабилизировать и регулировать производительность насосов в ручном режиме.

3. Выключать электродвигатель в случае его длительной перегрузки по времени, ко-роткого замыкания, обрыва фазы, утечки тока или перенапряжения.

4. Обеспечить бесконтактный и плавный пуск электродвигателя насоса.

5. Увеличить межремонтный ресурс установки (износ подшипников, обмоток двига-теля, автоматических выключателей, лопаток, сальников) за счет снижения числа оборотов, про-грева обмоток, плавного запуска и останова.

6. Выбрать экономичный режим работы электродвигателя насоса.

1. Стоимость предложения.

Наименование товара Ед. изм Кол-во Цена за ед. без НДС руб
Высоковольтный частотный привод, мощ-ностью 1,78 МВт по воде шт 1 50 000 000, 00
Система управления с АРМ по воде шт 1 50 000 00, 00
Высоковольтный частотный привод, мощностью 3,3 МВт по пульпе шт 1 100 000 000, 00
Высоковольтный частотный привод, мощ-ностью 1,78 МВт по воде по пульпе шт 1 50 000 000, 00
Система управления с АРМ по пульпе шт 1 9 000 000, 00
Итого без НДС: 214 000 000руб

2. Условия оплаты:

3. Срок поставки

4. Доставка оборудования

5. Срок гарантии на оборудование

6. Стоимость проектных, монтажных и пусконаладочных работ по сравнению с оборудованием составит не более 30% и равна около 60 000 000 руб. без НДС

ВЫВОД: Исходя из расчета экономической эффективности, данное оборудование оку-питься менее чем за полгода.

Затраты на внедрение 274 000 000 рублей в год. Эффект от внедрения по сэкономленному электричеству и ресурсу сбережения 388 935 964 руб. в год. Соотношение затрат к эффективно-сти 274 000 000 руб. / 388 935 964 руб. равно 0,7. Это больше полгода. Данное предложение тре-бует внедрения. Если взять кредит на реализацию на полтора года и при учёте, что предложение будет реализовано за 7 месяцев, данный проект “отбивается” за это время без потерь перед бан-ком.

Обсуждение закрыто.