По заданию были обследованы в ФОК условия работы привода мельничного вентилятора. Выработано предложение по использованию высоковольтного устройства плавного пуска.
Описание объекта
Для транспортирования продукта в виде бентонита или извести после помола мельницей используется привод мельничного вентилятора с высоковольтным электродвигателем ДАЗО2-16-59-4У1, мощностью 1250 кВт, cosф= 0.85 п=1492 об/мин, ток статора 148.5 А.
Состояние объекта
На ФОК применяется три линии помола, включая резерв. Вместе с тем производительность шаровых мельниц по бентониту или извести значительно превышает потребности комбинатом. С целью экономии электроэнергии, особенно в дневное время, и ресурса используемого при этом оборудования, руководством ФОК и Комбината было принято решение запускать линии по производству бентонита и извести только в ночную смену. Экономически это действительно оправдано. Однако при работе только одной линии, одновременно должно включаться несколько мощных двигателей: как минимум СДМ-22-34-60 на мельницу и ДАЗО2-16-59-4У1 на вентилятор, соответственно 1,6 и 1,25 МВт. В соответствии с требованиями заводов – изготовителей на запуск таких мощных двигателей вводится ограничение, как правило не более 500 включений в год и не более 10000 за весь срок службы (в качестве примера по цифрам взят двигатель 800 кВт).
Учитывая тот факт, что ДАЗО2-16-59-4У1 применяется на вентиляторе с оборотами 1500 об./мин., данные по ограничению должны быть еще жестче. Поэтому ежедневный запуск такого типа двигателя крайне нежелателен, тем более им выработан значительный ресурс.
В настоящий момент два таких двигателя уже выходили из строя и ремонтировались. Ремонт одного такого двигателя СДМ-22-34-60 в 2022 году приблизительно составлял около 3 600 000 руб.
Предложение
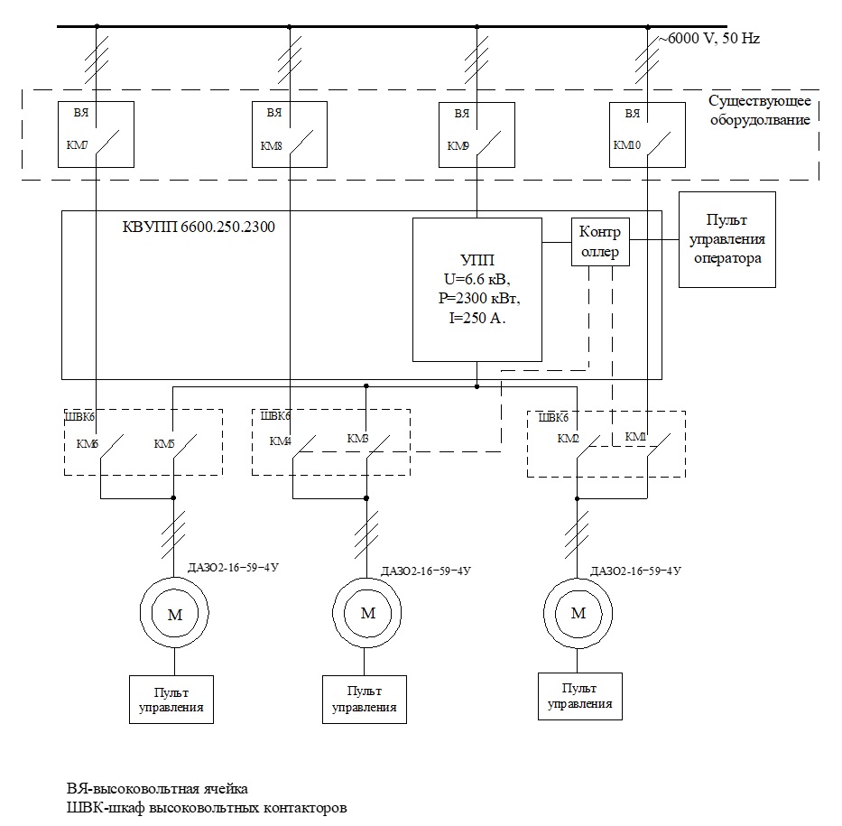
Исходя из выше изложенного, предлагается применение высоковольтного устройства плавного пуска на базе фирмы ХХХ производимого “ООО ХХХ” c АСУ запуском на три двигателя базе контролеров фирмы ХХХ. Данное предложение полностью соответствует техническим требованиям к оборудованию, а также подразумевает сдачу объекта под “ключ”.
1.
| № | Наименование | Тип и номер по каталогу | Ед.изм. | Кол-во | Цена без НДС, руб | Стоимость без НДС, руб |
| 1 | Комплектное высоковольтное устройство плавного пуска (для работы на три асинхронных двигателя ДАЗО2-16-59-4У1: P=1250 кВт, Uн=6 кВ, Iн=148 А, n=1500 об/мин) с контроллером и пультом управления. Шкафное исполнение ВхШхГ = 2100х1200х800, IP54, номинальное напряжение питания U=3х6000В, 50 Гц, мощность Р=2300 кВт, номинальный ток I=250 А). | ХХХХХХХ 240 (240A, 6000В, 2000кВт) | компл. | 1 | 5 000 000 | 5 000 000 |
| 2 | Шкаф с высоковольтными реверсивными контакторами на 6 кВ, ВхШхГ: 2100х600х800 мм в составе: Контактор высоковольтный 7200В, 400А – 2 шт. | ХХХХ6 | шт. | 3 | 2 000 000 | 2 000 000 |
| Итого стоимость без НДС, руб.: 12 000 000 | ||||||
2. Общая стоимость продукции по данному предложению- 12 000 000 руб. без НДС
3. Проектные работы и срок выполнения
5. Форма и порядок оплаты:
6. Транспортные условия и транспортные расходы:
7. Срок поставки оборудования и гарантии на оборудование
ПРИЛОЖЕНИЕ 1
Рис.: Предлагаемая схема реализации
